

很多初學電子的學生或想從事硬件方面的人都想要了解和學習一下如何繪制PCB板,如下分享下如何繪制PCB板,一般繪制整個畫PCB的流程一般是先畫好原理圖,再由原理圖生成網絡表,再導入PCB
一、挑選電路與畫出庫


依據需要挑選合宜的電路圖,電路圖可以經過網絡尋覓,也可以依據自個兒所學的電路知識對于基礎電路施行組合運用。確認好電路圖與元件后,著手畫出原理圖庫和封裝庫,在AD中可以作別樹立一個原理圖庫和封裝庫,也可以經過樹立一個集成庫安放庫。假如基礎原件中沒有所需的元件,可以在原理圖庫中畫出原理圖,在PCB封裝庫畫出此元件的PCB封裝,而后在原理圖庫中元件導入封裝,則運用時將帶有封裝,而無須再原理圖改正。
二、畫出原理圖
依據自個兒挑選的電路圖,在Altium Designer中新建一個空白的PCBproject ,繼續新建一個空白的原理圖,在圖上標好元件值,便捷別人特意的看,元件的標號可用半自動示明釋決。
將元件用線連署起來,同一個板塊的元件用線銜接,無須的板塊連署可以運用網絡連署,顯得好看。各個板塊派生出來,也有幫助于自個兒查尋不正確。

三、畫出PCB圖
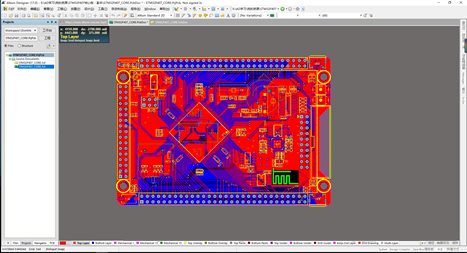
畫出PCB圖前,需求將原理圖導入到PCB圖中,在預設中,點擊“Update to PCB Document ”挑選“發生效力更改和執行更改”,到PCB圖中,顯露出來如下所述圖所示,將紅色一層去除,即可著手布線。

施行交互式布線將,將元件安擺放置好,

施行布線

挑選GND作為覆銅網絡施行覆銅

在工具中挑選淚滴,添加淚滴

最后完成運用Altium Designer畫出PCB電路圖

經過這一系列的流程后,將PCB文件還是gerber文件送出給淘寶商家還是經過官網下訂單施行打板,這么就可以成功實現將一個我們相用的電路可以制造出電路板。
