

摘要:本文射頻通信系統基于Ku波段,綜合運用了多通道MIMO技術、智能電掃陣列天線、OFDM波束成形、超高速跳頻、低相噪低雜散頻率合成等先進性技術,可用于干線節點實現超高速數傳、組網、中繼,并具有較好的抗干擾能力,可廣泛應用于多種通信領域。
關鍵詞:Ku波段,多通道MIMO;智能電掃陣列天線;波束成型;超高速跳頻;低相噪低雜散頻率合成。
引言
當今的信息大爆炸時代,媒質承載的信息量越來越大,特別是高清多媒體視頻流,對信息傳輸的實時性要求越來越高,這些需求促使信息傳輸速率逐步攀升,現階段無線通信技術蓬勃發展,LTE、5G技術接踵而至。由香農定理我們可知,無線通信的速率與信道帶寬相互關聯,帶寬越寬,速率就越高,容量也就越大。而在VHF、UHF、L、S等較低頻段,頻譜資源擁擠,可用帶寬有限,因此向更高的頻段發展,以獲得更寬的信道帶寬,是未來通信系統發展的必然趨勢。
1、系統方案設計
本文提出的Ku波段高速寬帶射頻通信系統利用波束賦形技術,用呈90°分布的4面陣列天線覆蓋全360°范圍,每面陣列天線由4列陣元組成,分別連接4個TR組件,經幅度及相位加權后匯集到同1路變頻通道,組成4*4 射頻MIMO系統。公共資源及上層管理全部集中到中央單元,以方便互聯。在車載型結構中,中央單元通過連接器與各TR組件相連,以信令交互進行控制,各TR組件具有獨立的基帶處理單元,也可將數字中頻送到中央處理器集中處理(實現空間分集),總體框圖如下圖1所示。

圖1、系統總體框圖
與傳統的單收單發系統相比,本系統方案基于軍事戰術應用抗干擾、保密、高速、大容量、自適應的整體需求,綜合考量Ku波段信號自身波長短,方向性較強、傳輸損耗大等不利因素,采用了主流的OFDM調制技術,使得系統的抗干擾能力更強,同時可以獲得較高的頻譜利用率;采用了MIMO及智能天線技術,合理利用波束分集和天線空間復用的性能,使得系統能夠盡可能地支持多用戶,多方向、自適應的大容量數據傳輸的前提下,可以有效
抵抗信號傳輸過程中多徑衰落對系統性能造成的影響。系統的初步布局如下圖2所示:

圖2、系統初步布局圖
2、子系統方案設計
2.1天線設計
為了降低系統整體輪廓,天線部分采用均勻線陣形式的微帶天線,可利用陣列波束賦形技術,實現高定向性、寬覆蓋和抗衰落。該種類型天線設計通過對天線陣元的激勵源進行幅/相加權,實現多扇面掃描。此外還可以實現對干擾源測向,若檢測到干擾,則通過波束賦形,使天線方向圖在干擾方向形成零陷,抑制干擾。天線系統的主副辦掃描示意圖如下圖3所示。

圖3、天線陣列及主副辦掃描示意圖
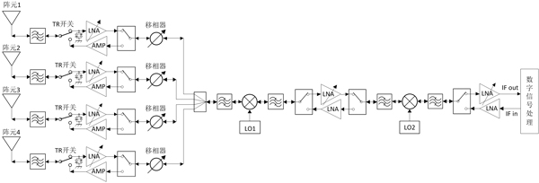
2.2收發鏈路設計
收發鏈路包括TR組件及變頻通路,可根據需求靈活裁剪,在微波射頻前端采用了全數字的移相衰減器,在變頻電路中,采用了超外差二次變頻電路,混頻方式為高射頻低本振,降低頻率合成器的實現難度,此外電路中設計AGC控制電路、保護隔離電路,頻率選擇電路對接收的信號進行選頻、變頻、線性化放大處理,最終提供給基帶處理器進行信號解調。收發鏈路的原理框圖如下圖4所示。

圖4、收發鏈路原理框圖
2.3頻率合成器設計
通常來說,可用的頻率合成方式有直接頻率合成(DS)、間接頻率合成(PLL)以及直接數字式頻率合成(DDS)三種。
本設計中的頻率合成器通過方案最終采用DDS倍頻與PLL點頻源混頻實現最終的跳頻源一本振輸出,而接收和發射相位校準參考源則直接采用了PLL跳頻輸出的方式實現,總的頻率源合成方案如圖5所示,方案的整體思想是將晶振信號經一分四的功分器分成4路,一路信號作為發射和接收相位校準參考頻率源的時鐘,經PLL跳頻鎖定產生C波段的信號,然后經濾波和二倍頻輸出Ku波段的參考頻率源;另一路信號作為基帶處理器的參考時鐘;第三路信號作為C波段點頻源的參考時鐘,經PLL鎖定產生C波段的點頻信號,然后與DDS輸出的跳頻信號混頻產生上變頻C波段的射頻信號,再經二倍頻最終產生X波段的一本振信號;最后一路信號作為L波段點頻源的參考時鐘,經PLL鎖定產生L波段的點頻信號,再功分兩路,一路經濾波放大作為系統二本振,另一路作為跳頻DDS的參考時鐘,產生VHF頻段的跳頻信號,經濾波、放大及兩次2倍頻產生L波段的跳頻信號與C波段點頻源進行混頻、濾波、放大、倍頻產生X波段一本振信號。在頻率源實現過程中,由于涉及到了較多的PLL頻率合成、倍頻、混頻、放大等電路,因此變頻過程中的雜散抑制或者規避就顯得尤為重要,否則雜散信號的干擾將影響系統的通信質量。

圖5、頻率合成器原理框圖
3、散熱設計
經過模型仿真,在大功率連續波情況下,若散熱性能不佳,不但會降低功放輸出的功率,嚴重時甚至還會使功率器件燒毀,因此功放局部的熱設計同樣是系統設計成敗的關鍵。一般將功放器件有源區稱為結或者溝道,器件的有源區溫度稱為結溫或者溝道溫度Tch。為了保證器件不被燒毀,其溝道溫不能超過一個最高允許溫度Tchmax,其大小由晶體管機構、管芯材料、襯底材料等因素決定。功率器件自身的散熱能力用熱阻Rt來表征,定義為Rt=Δt/Q,其中Δt代表溫差,Q為熱流量。Rt的單位為℃/W,熱阻與管芯和襯底材料的導熱率、厚度、截面積、加工工藝以及封裝形式都有關系。通過熱阻可以計算出溝道溫度Tch,其計算公式為:
Tch = Rt x Pdiss+ T0
其中Pdiss 為耗散功率,T0 為環境溫度。從公式中可以看出,熱阻越大功放的散熱能力就越差。實際情況中,除了功放器件自身的熱阻外,還有安裝功放的腔體熱阻R1 、散熱器熱阻R2 以及各個部分之間接觸不緊密或材料導熱系數差異帶來的接觸熱阻Rc ,因此完整的溝道溫度Tch 的計算公式為:
Tch= ( Rt + R1 + R2 + Rc )x Pdiss+ T0
除了功率器件自身的熱阻Rt 之外,其它的熱阻都難以得到,因而為了方便計算,將上述公式中不容易得到的參數項合并到最后一項中,使其表征為一個相對的環境溫度,得到如下計算公式:
Tch= Rt x Pdiss + [( R1 + R2 + Rc )x Pdiss+ T0] = Rt x Pdiss +T’0
其中T’0 為功放器件管殼的溫度,若器件和腔體緊密接觸能夠良好地傳熱,即可忽略器件與腔體的接觸電阻,這是T’0 表示的是與功放器件相接觸位置腔壁的溫度。將Tch 取為Tchmax ,通過上述公式可以計算出耗散功率Pdiss 的情況下,功放器件可承受的最高腔壁溫度。通過極限溫度以及耗散功率即可對散熱結構進行仿真設計。理論上,只要保證Tch 目前工程上常用的散熱方式有肋片散熱、相變冷卻、熱管傳熱、溫差電制冷等。使用最多的散熱方式是肋片散熱齒,按照散熱齒結構的不同又可分為片式散熱齒和柱式散熱齒。柱式散熱齒風道不封閉,散熱效果不如片式散熱齒明顯,故在本系統方案中采用了片式散熱齒的散熱方式,理論上散熱齒越高散熱效果越好,但是齒本身的寬度和齒間距也會對散熱效果有影響,其散熱效果可通過熱設計軟件來仿真優化(Flotherm)。散熱齒采用鋁材,兼顧系統減重的要求,系統設計的散熱底座設計結構如下圖6所示,基本可以滿足系統的散熱需求。 圖6、散熱底座外形結構圖 除上述輔助散熱設計策略外,工程中還在功放底部增加了導熱硅脂、導熱膠等,同時各T/R組件分散布局,降低熱源的集中,增強系統的可靠性。 4、工程設計驗證 依據系統設計方案,我們測試天線,頻率合成器工程測試結果與設計基本相當,典型的頻率合成器DDS+PLL的相位噪聲及跳頻時間測試曲線如下圖7-8所示: 圖7、DDS相位噪聲及跳頻時間測試曲線 圖8、PLL相位噪聲及跳頻時間測試曲線 測試收發鏈路指標,當中頻輸入140MHz調制信號,調制方式為64QAM,滾降因子設置0.3,符號率30Mbps時,其典型的發射EVM為6.09%,鄰道抑制比優于-35dBC@50MHz offset,測試結果如圖9所示: 圖9、發射EVM及鄰道抑制比測試結果 5、應用場景 現階段基于Ku波段的高速寬帶射頻通信系統主要應用于點對點,點對多點,中繼及多級自組網等領域,可以極大的拓展節點通信的性能和系統容量,其主要的應用場景示意如下圖10所示。 圖10、應用場景示意 6、結束語 本文提出的Ku波段高速寬帶射頻通信系統設計綜合運用了多通道MIMO技術、智能電掃陣列天線、OFDM波束成形、超高速跳頻、低相噪低雜散頻率合成等先進性技術,采用微波平面陣列,可用于干線節點實現超高速數傳、組網、中繼,并具有較好的抗干擾能力,可廣泛應用于多種通信領域,已研制樣機性能基本上符合預期的設計需求,實際工程驗證結果良好。 iPcb專注于高端PCB電路板研發生產。產品包括微波高頻電路板、高頻混壓電路板、FR4雙面多層電路板、超高多層電路板、1階到6階HDI電路板、任意階HDI電路板、軟硬(剛撓)結合電路板、埋盲孔電路板、盲槽電路板、背鉆電路板、IC載板電路板、厚銅電路板等。產品廣泛應用于工業4.0、通訊、工控、數碼、電源、計算機、汽車、醫療、航天、儀器、儀表、軍工、物聯網等領域。客戶分布于中國大陸及臺灣、韓國、日本、美國,巴西、印度、俄羅斯、東南亞、歐洲等世界各地。


