

1.安規距離要求部分安全距離包括電氣間隙(空間距離),爬電距離(沿面距離)和絕緣穿透距離。
1、電氣間隙:兩相鄰導體或一個導體與相鄰電機殼表面的沿空氣測量的最短距離。
2、爬電距離:兩相鄰導體或一個導體與相鄰電機殼表面的沿絕絕緣表面測量的最短距離。
一、爬電距離和電氣間隙距離要求,可參考NE61347-1-2-13/GB19510.14.
(1)、爬電距離:輸入電壓50V-250V時,保險絲前L—N≥2.5mm,輸入電壓250V-500V時,保險絲前L—N≥5.0mm;電氣間隙:輸入電壓50V-250V時,保險絲前L—N≥1.7mm, 輸入電壓250V-500V時,保險絲前L—N≥3.0mm;保險絲之后可不做要求,但盡量保持一定距離以避免短路損壞電源。
(2)、一次側交流對直流部分≥2.0mm
(3)、一次側直流地對地≥4.0mm如一次側地對大地
(4)、一次側對二次側≥6.4mm,如光耦、Y 電容等元器零件腳間距≤6.4mm 要開槽。
(5)、變壓器兩級間≥6.4mm 以上,≥8mm加強絕緣。

2.抗干擾、EMC部分
一、長線路抗干擾

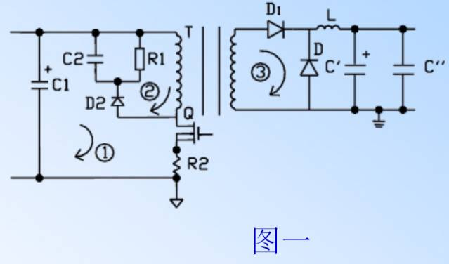
在圖二中 ,PCB 布局時,驅動電阻R3應靠近Q1(MOS管),電流取樣電阻R4、C2應靠近IC1的第 4 Pin,如圖一所說的R應盡量靠近運算放大器縮短高阻抗線路。因運算放大器輸入端阻抗很高,易受干擾。輸出端阻抗較低,不易受干擾。一條長線相當于一根接收天線,容易引入外界干擾。

在圖三的A中排版時,R1、R2要靠近三極管Q1放置,因Q1的輸入阻抗很高,基極線路過長,易受干擾,則R1、R2不能遠離Q1。
在圖三的B中排版時,C2要靠近D2,因為Q2三極管輸入阻抗很高,如Q2至D2的線路太長,易受干擾,C2應移至D2附近。
二、小信號走線盡量遠離大電流走線,忌平行,D>=2.0mm。

三、小信號線處理:電路板布線盡量集中,減少布板面積提高抗干擾能力。
四、一個電流回路走線盡可能減少包圍面積。

如:電流取樣信號線和來自光耦的信號線
五、光電耦合器件,易于干擾,應遠離強電場、強磁場器件,如大電流走線、變壓器、高電位脈動器件等。
六、多個IC等供電,Vcc、地線注意。

串聯多點接地,相互干擾。
七、噪聲要求
1、盡量縮小由高頻脈沖電流所包圍的面積,如下(圖一、圖二)

一般的布板方式

2、濾波電容盡量貼近開關管或整流二極管如上圖二,C1盡量靠近Q1,C3靠近D1等。
3、脈沖電流流過的區域遠離輸入、輸出端子,使噪聲源和輸入、輸出口分離 。

圖三:MOS管、變壓器離入口太近,電磁的輻射能量直接作用于輸入端,因此,EMI測試不通過。
圖四:MOS管、變壓器遠離入口,電與磁的輻射能量距輸入端距離加大,不能直接作用于輸入端,因此EMI傳導能通過。
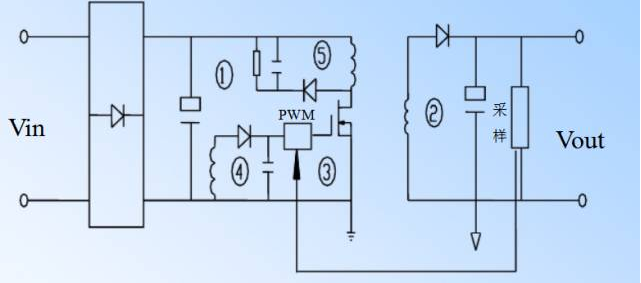
4、控制回路與功率回路分開,采用單點接地方式,如圖五。

控制IC周圍的元件接地接至IC的地腳 ;再從地腳引出至大電容地線 。光耦第3腳地接到IC的第1 腳,第4腳接至IC的2腳上 。如圖六
5、 必要時可以將輸出濾波電感安置在地回路上。
6、 用多只ESR低的電容并聯濾波。
7、 用銅箔進行低感、低阻配線,相鄰之間不應有過長的平行線,走線盡量避免平行、交叉用垂直方式,線寬不要突變,走線不要突然拐角(即:≤直角)。(同一電流回路平行走線,可增強抗干擾能力)
八、抗干擾要求
1、 盡可能縮短高頻元器件之間連線,設法減少它們的分布參數和相互間電磁干擾,易受干擾的元器件不能和強干擾器件相互挨得太近,輸入輸出元件盡量遠離。
2、 某些元器件或導線之間可能有較高電位差,應加大它們之間的距離,以免放電引出意外短路。
3.整體布局及走線原則
一、整體布局圖三
1、 散熱片分布均勻,風路通風良好。

圖一:散熱片擋風路,不利于散熱。
圖二:通風良好,利于散熱。
2、 電容、IC等與熱元件(散熱器、整流橋、續流電感、功率電阻)要保持距離以避免受熱而受到影響。
3、 電流環: 為了穿線方便,引線孔距不能太遠或太近。
4、 輸入/輸出、AC/插座要滿足兩線長短一致,留有一定空間裕量,注意插頭線扣所占的位置、插拔方便,輸出線孔整齊,好焊線。
5、元件之間不能相碰、MOS管、整流管的螺釘位置、壓條不能與其它元相碰,以便裝配工藝盡量簡化電容和電阻與壓條或螺釘相碰,在布板時可以先考慮好螺釘和壓條的位置。如下圖三:

6、 除溫度開關、熱敏電阻…外,對溫度敏感的關鍵元器件(如IC)應遠離發熱元件,發熱較大的器件應與電容等影響整機壽命的器件有一定的距離。
7、 對于電位器,可調電感、可變電容器,微動開關等可調元件的布局,應考慮整機結構要求,若是機內調節,應放在PCB板上方便于調節的地方,若是機外調節,其位置要與調節旋鈕在機箱面板上的位置相適應。
8、 應留出印制PCB板定位孔支架所占用的位置。
9、 位于電路板邊緣的元器件,離電路板邊緣一般不少于2mm。
10、 輸出線、燈仔線、風扇線盡量一排,極性一致與面板對應。
11、 一般布局:小板上不接入高壓,將高壓元件放在大板上,如有特殊情況,則安規一定要求考慮好。如圖四將R1、R2放在大板,引入一低壓線即可。
12、 初級散熱片與外殼要保持5mm以上距離(包麥拉片除外)。
13、 布板時要注意反面元件的高度 。如圖五

14、 初次級Y電容與變壓器磁芯要注意安規。
二、單元電路的布局要求
1、 要按照電路的流程安排各個功能電路單元的位置,使布局便于信號流通, 并使信號盡可能保持一致的方向 。
2、 以每個功能電路的核心元件為中心,圍繞它來進行布局,元器件應均勻整齊,緊湊地排列在PCB上,盡量減小和縮短各元件之間的連接引線。
3、 在高頻下工作要考慮元器件的分布參數,一般電路應盡可能使元器件平行排列,這樣不僅美觀,而且裝焊容易,易于批量生產。
三、布線原則
1、 輸入輸出端用的導線應盡量避免相鄰平行,最好加線間地線,以免發生反饋藕合。
2、 走線的寬度主要由導線與絕緣基板間的粘附強度和流過它們的電流值決定。當銅箔厚度為50μm,寬度為1mm時,流過1A的電流,溫升不會高于3℃,以此推算2盎司(70μm)厚的銅箔,1mm寬可流通1.5A電流,溫升不會高于3℃(注:自然冷卻)。
3、 輸入控制回路部分和輸出電流及控制部分(即走小電流走線之間和輸出走線之間各自的距離)電氣間隙寬度為:0.75mm--1.0mm(Min0.3mm)。原因是銅箔與焊盤如果太近易造成短路,也易造成電性干擾的不良反應。
4、 ROUTE線拐彎處一般取圓弧形,而直角、銳角在高頻電路中會影響電氣性能。
5、 電源線根據線路電流的大小,盡量加粗電源線寬度,減少環路阻抗,同時使電源線,地線的走向和數據傳遞方向一致,縮小包圍面積,有助于增強抗噪聲能力。
A:散熱器接地多數也采用單點接地,提高噪聲抑制能力如下圖:

更改前:多點接地形成磁場回路,EMI測試不合格。

更改后:單點接地無磁場回路,EMI測試OK。
7、濾波電容走線
A:噪音、紋波經過濾波電容被完全濾掉。

B:當紋波電流太大時,多個電容并聯,紋波電流經過第一個電容當紋波電流太大時,多個電容并聯,紋波電流經過第一個電容產生的熱量也比第二個、第三個多,很容易損壞,走線時,盡量讓紋波電流均分給每個電容,走線如下圖A、B如空間許可,也可用圖B方式走線

8、 高壓高頻電解電容的引腳有一個鉚釘,如下圖所示,它應與頂層走線銅箔保持距離,并要符合安規。

9、 弱信號走線,不要在電感、電流環等器件下走線。

電流取樣線在批量生產時發生磁芯與線路銅箔相碰,造成故障。
10、 金屬膜電阻下不能走高壓線、低壓線盡量走在電阻中間,電阻如果破皮容易和下面銅線短路。
11、 加錫
A: 功率線銅箔較窄處加錫。
B:RC吸收回路,不但電流較大需加錫,而且利于散熱。
C:熱元件下加錫,用于散熱,加錫不能壓焊盤。
12、 信號線不能從變壓器、散熱片、MOS管腳中穿過。
13、 如輸出是疊加的,差模電感前電容接前端地,差模電感后電容接輸出地。

14、 高頻脈沖電流流徑的區域

A:盡量縮小由高頻脈沖電流包圍的面積上圖所標示的5個環路包圍的面積盡量小。
B: 電源線、地線盡量靠近,以減小所包圍的面積,從而減小外界磁場環路切割產生的電磁干擾,同時減少環路對外的電磁輻射。
C: 大電容盡量離MOS管近,輸出RC吸收回路離整流管盡量近。
D: 電源線、地線的布線盡量加粗縮短,以減小環路電阻,轉角要圓滑,線寬不要突變如下圖 。

E:脈沖電流流過的區域遠離輸入輸出端子,使噪聲源和出口分離。

F:振蕩 濾波去耦電容靠近IC地,地線要求短。

14: 錳銅絲 立式變壓器磁芯 工字電感 功率電阻 散熱片 磁環下不能走第一層線。
15: 開槽與走線銅箔要有10MIL以上的距離,注意上下層金屬部分的安規。

16、 驅動變壓器,電感,電流環同名端要一致。
17、 雙面板一般在大電流走線處多加一些過孔,過孔要加錫,增加載流能力。
18、 在單面板中,跳線與其它元件不能相碰,如跳線接高壓元件,則應與低壓元件保持一定安規距離。同時應與散熱片要保持1mm以上的距離。
四、案例分析
開關電源的體積越來越小,它的工作頻率也越來越高,內部器件的密集度也越來高,這對PCB布線的抗干擾要求也越來越嚴,針對一些案例的布線,發現的問題與解決方法如下:
1、整體布局:
案例1是一款六層板,最先布局是,元件面放控制部份,焊錫面放功率部份,在 調試時發現干擾很大,原因是PWM IC 與光耦位置擺放不合理,如:

如 上 圖 , PWM IC 與 光 耦 放 在 MOS 管 底 下 , 它們之間只有一層2.0mm的PCB隔開,MOS管直接干擾PWM IC,后改進為

將PWM IC與光耦移開,且其上方無流過脈動成份的器件。
2、走線問題:
功率走線盡量實現最短化,以減少環路所包圍的面積,避免干擾。小信號線包圍面積小,如電流環:

A線與B線所包面積越大,它所接收的干擾越多。因為它是反饋電A線與B線所包面積越大,它所接收的干擾越多。因為它是反饋電耦反饋線要短,且不能有脈動信號與其交叉或平行。

PWM IC 芯片電流采樣線與驅動線,以及同步信號線,走線時應盡量遠離,不能平行走線,否則相互干擾。因:電流波形為:

PWM IC 驅動波形及同步信號電壓波形是:

一、小板離變壓器不能太近。

小板離變壓器太近,會導致小板上的半導體元件容易受熱而影響。
二、盡量避免使用大面積鋪銅箔,否則,長時間受熱時,易發生二、盡量避免使用大面積鋪銅箔,否則,長時間受熱時,易發生這樣有利于排除銅箔與基板間粘合劑受熱產生的揮發性氣體。
5.工藝處理部分
一、 每一塊PCB上都必須用箭頭標出過錫爐的方向:

二、 布局時,DIP封裝的IC擺放的方向必須與過錫爐的方向成垂直,不可平行,如下圖;如果布局上有困難,可允許水平放置IC(SOP封裝的IC擺放方向與DIP相反)。

三、 布線方向為水平或垂直,由垂直轉入水平要走45度進入。
四、 若銅箔入圓焊盤的寬度較圓焊盤的直徑小時,則需加淚滴。如下圖

五、 布線盡可能短,特別注意時鐘線、低電平信號線及所有高頻回路布線要更短。
六、 模擬電路及數字電路的地線及供電系統要完全分開。
七、 如果印制線路板上有大面積地線和電源線區(面積超過500平方毫米),應局部開窗口。如下圖:

八、橫插元件(電阻、二極管等)腳間中心,相距必須濕300mil,400mil及500mil。(如非必要,240mil亦可利用,但使用與IN4148型之二極管或1/16W電阻上。1/4W電阻由10.0mm開始)跳線腳間中心相距必須濕200mil,300mil,500mil,600mil,700mil,800mil,900mil,1000mil。
九、PCB板上的散熱孔,直徑不可大于140mil。
十、PCB上如果有Φ12或方形12MM以上的孔,必須做一個防止焊錫流出的孔蓋,如下圖(孔隙為1.0MM)

十一 在用貼片元件的PCB板上,為了提高貼片元件的貼裝準確性,PCB板上必須設有校正標記(MARKS),且每一塊板最少要兩個標記,分別設于PCB的一組對角上,如下圖:

十二、貼片元件的間距:

十三、貼片元件與電插元件腳之間的距離。如下面兩圖:

十四、SMD器件的引腳與大面積銅箔連接時,要進行熱隔離處理,如下圖:

十五、元件焊盤中心孔要比器件引線直徑稍大一些,焊盤太大易形成虛焊,焊盤外徑D一般不少于(d+1.2)mm,d為引線孔徑,對高密度的數字電路,焊盤最小直徑可取(d+1.0)mm,孔徑大于2.5mm的焊盤適當加大。元件擺放整齊、方向盡量一致
十六、對于PCB板上的貼片元件長軸心線盡量與PCB板長軸心線垂直的方向排列、不易折斷。